李工:138-8949-5179 刘工:135-0428-8802
型号查询
轴承型号   常见搜索: 2025轴承 6012轴承 6020轴承 6009轴承 6019轴承 6013轴承
型号查询 X

轴承专区

Bearings Center

BSD 2562 CG轴承-SKF BSD 2562 CG轴承尺寸、图纸、价格

SKF BSD 2562 CG轴承

产品名称:BSD 2562 CG轴承 品牌:SKF
类型:SKF轴承 > 超高精密轴承 > Angular contact thrust ball bearings for screw drives
描述:BSD 2562 CG轴承是【SKF轴承 > 超高精密轴承 > Angular contact thrust ball bearings for screw drives】的型号,主要用在内燃机、油泵、变速器、机床主轴、木工机械、石油钻机、挤压机、钟表、解体机、抓钢机等各大领域

 电话/微信:138-8949-5179

SKF BSD 2562 CG轴承详细信息

BSD 2562 CG轴承是【SKF轴承 > 超高精密轴承 > Angular contact thrust ball bearings for screw drives】的型号,主要用在内燃机、油泵、变速器、机床主轴、木工机械、石油钻机、挤压机、钟表、解体机、抓钢机等各大领域。

SKF BSD 2562 CG轴承详细参数

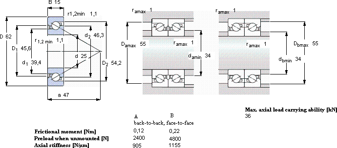
角接触推力球轴承 for screw drives, single direction
主要数据尺寸基本负荷额定值疲劳负荷限值可达到的速度体积型号
动态静态当润滑与SKFSNFA
油脂滴油润滑
dDHCC0Pu
mmkNkNr/minkg-
25621528,5712,65800095000,24BSD 2562 CGBS 25/62 7P62U

SKF BSD 2562 CG轴承尺寸图纸

李工:138-8949-5179

刘工:135-0428-8802

地址:辽宁省大连经济技术开发区现代城3栋-13-13号

在线客服系统