李工:138-8949-5179 刘工:135-0428-8802
型号查询
轴承型号   常见搜索: 6020轴承 6906轴承 6019轴承 6013轴承 6205轴承 6002轴承
型号查询 X

轴承专区

Bearings Center

HMVC 34E轴承-SKF HMVC 34E轴承尺寸、图纸、价格

SKF HMVC 34E轴承

产品名称:HMVC 34E轴承 品牌:SKF
类型:SKF轴承 > 滚动轴承 > 轴承附件
描述:HMVC 34E轴承是【SKF轴承 > 滚动轴承 > 轴承附件】的型号,主要用在内燃机、燃汽轮机、压缩机、后轮、轧钢机辊道子、起重机吊钩、挤压机、纺织、专用车、数控设备等各大领域

 电话/微信:138-8949-5179

SKF HMVC 34E轴承详细信息

HMVC 34E轴承是【SKF轴承 > 滚动轴承 > 轴承附件】的型号,主要用在内燃机、燃汽轮机、压缩机、后轮、轧钢机辊道子、起重机吊钩、挤压机、纺织、专用车、数控设备等各大领域。

SKF HMVC 34E轴承详细参数

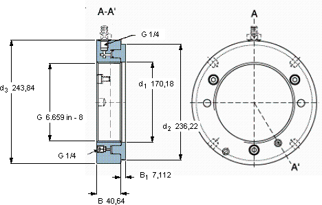
Hydraulic nuts, inch sizes
螺纹尺寸尺寸PermittedPiston area体积型号
piston
Gd1d2d3BB1displacement
mmmm (metric sizes)mmmmmm2 (metric sizes)kg-
in - threads/in (inch sizes)in2 (inch sizes)
167,0766.659 in - 8170,18236,22243,8440,647,1126,09614,618,5HMVC 34E-

SKF HMVC 34E轴承尺寸图纸

李工:138-8949-5179

刘工:135-0428-8802

地址:辽宁省大连经济技术开发区现代城3栋-13-13号

在线客服系统