轴承专区
Bearings Center
BDAB 307783轴承-SKF BDAB 307783轴承尺寸、图纸、价格
SKF BDAB 307783轴承
| 产品名称: | BDAB 307783轴承 | 品牌: | SKF |
|---|---|---|---|
| 类型: | SKF轴承 > 滚动轴承 > 角接触推力球轴承 | ||
| 描述: | BDAB 307783轴承是【SKF轴承 > 滚动轴承 > 角接触推力球轴承】的型号,主要用在变速器、离心分离机、木工机械、变速器、减速装置、石油钻机转环、立式电动机、钟表、轻工机械、机械手等各大领域 | ||
电话/微信:138-8949-5179
SKF BDAB 307783轴承详细信息
BDAB 307783轴承是【SKF轴承 > 滚动轴承 > 角接触推力球轴承】的型号,主要用在变速器、离心分离机、木工机械、变速器、减速装置、石油钻机转环、立式电动机、钟表、轻工机械、机械手等各大领域。
SKF BDAB 307783轴承详细参数
| 角接触推力球轴承, 单向 | |||||||||
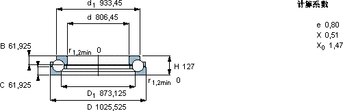
| 主要数据尺寸 | 基本负荷额定值 | 疲劳负荷限值 | 最小负荷系数 | 体积 | 型号 | ||||
| 动态 | 静态 | ||||||||
| d | D | H | C | C0 | Pu | A | |||
| mm | kN | kN | - | kg | - | ||||
| 806,45 | 1025,525 | 127 | 1060 | 6100 | 85 | 100 | 195 | BDAB 307783 | |
SKF BDAB 307783轴承尺寸图纸

