李工:138-8949-5179 刘工:135-0428-8802
型号查询
轴承型号   常见搜索: 6001轴承 6011轴承 6012轴承 6010轴承 6006轴承 *轴承
型号查询 X

轴承专区

Bearings Center

BCSB 320240轴承-SKF BCSB 320240轴承尺寸、图纸、价格

SKF BCSB 320240轴承

产品名称:BCSB 320240轴承 品牌:SKF
类型:SKF轴承 > 滚动轴承 > 圆柱滚子轴承
描述:BCSB 320240轴承是【SKF轴承 > 滚动轴承 > 圆柱滚子轴承】的型号,主要用在燃汽轮机、各类变速器、泵、铁路车辆、各类产业用减速机、机床等的变速装置、电机厂、玩具、压路机、抓钢机等各大领域

 电话/微信:138-8949-5179

SKF BCSB 320240轴承详细信息

BCSB 320240轴承是【SKF轴承 > 滚动轴承 > 圆柱滚子轴承】的型号,主要用在燃汽轮机、各类变速器、泵、铁路车辆、各类产业用减速机、机床等的变速装置、电机厂、玩具、压路机、抓钢机等各大领域。

SKF BCSB 320240轴承详细参数

圆柱滚子轴承, 剖分式单列
主要数据尺寸基本负荷额定值疲劳负荷限值径向内部游隙体积型号
动态静态
dDBCCC0Pu最小最大
mmkNkNmmkg-
140017002251324950132007500,530,69905BCSB 320240

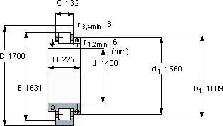
SKF BCSB 320240轴承尺寸图纸

李工:138-8949-5179

刘工:135-0428-8802

地址:辽宁省大连经济技术开发区现代城3栋-13-13号

在线客服系统