李工:138-8949-5179 刘工:135-0428-8802
型号查询
轴承型号   常见搜索: 6014轴承 6003轴承 6001轴承 6900轴承 6005轴承 22222轴承
型号查询 X

轴承专区

Bearings Center

BC4-8041/HA4轴承-SKF BC4-8041/HA4轴承尺寸、图纸、价格

SKF BC4-8041/HA4轴承

产品名称:BC4-8041/HA4轴承 品牌:SKF
类型:SKF轴承 > 滚动轴承 > 圆柱滚子轴承
描述:BC4-8041/HA4轴承是【SKF轴承 > 滚动轴承 > 圆柱滚子轴承】的型号,主要用在建筑机械、差速器小齿轮轴、汽车发动机、小齿轮轴、轧钢机齿轮箱座、机床等的变速装置、成形机、塑料、压路机、焊接机器人等各大领域

 电话/微信:138-8949-5179

SKF BC4-8041/HA4轴承详细信息

BC4-8041/HA4轴承是【SKF轴承 > 滚动轴承 > 圆柱滚子轴承】的型号,主要用在建筑机械、差速器小齿轮轴、汽车发动机、小齿轮轴、轧钢机齿轮箱座、机床等的变速装置、成形机、塑料、压路机、焊接机器人等各大领域。

SKF BC4-8041/HA4轴承详细参数

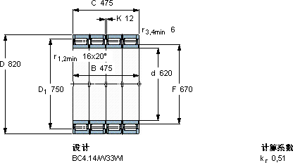
圆柱滚子轴承, 四列, BC4.14
主要数据尺寸基本负荷额定值疲劳负荷限值体积型号
动态静态
dDBCCC0Pu
mmkNkNkg-
62082047547510100265001900700BC4-8041/HA4

SKF BC4-8041/HA4轴承尺寸图纸

李工:138-8949-5179

刘工:135-0428-8802

地址:辽宁省大连经济技术开发区现代城3栋-13-13号

在线客服系统