轴承专区
Bearings Center
3207 A-2RS1TN9/MT33 *轴承-SKF 3207 A-2RS1TN9/MT33 *轴承尺寸、图纸、价格
SKF 3207 A-2RS1TN9/MT33 *轴承
| 产品名称: | 3207 A-2RS1TN9/MT33 *轴承 | 品牌: | SKF |
|---|---|---|---|
| 类型: | SKF轴承 > 滚动轴承 > 角接触球轴承 | ||
| 描述: | 3207 A-2RS1TN9/MT33 *轴承是【SKF轴承 > 滚动轴承 > 角接触球轴承】的型号,主要用在建筑机械、差速器小齿轮轴、泵、小齿轮轴、轧钢机齿轮箱座、机床等的变速装置、成形机、医药设备、工程船舶、焊接机器人等各大领域 | ||
电话/微信:138-8949-5179
SKF 3207 A-2RS1TN9/MT33 *轴承详细信息
3207 A-2RS1TN9/MT33 *轴承是【SKF轴承 > 滚动轴承 > 角接触球轴承】的型号,主要用在建筑机械、差速器小齿轮轴、泵、小齿轮轴、轧钢机齿轮箱座、机床等的变速装置、成形机、医药设备、工程船舶、焊接机器人等各大领域。
SKF 3207 A-2RS1TN9/MT33 *轴承详细参数
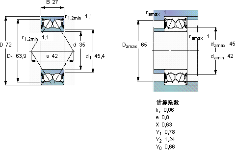
| 角接触球轴承, 双列, 两面密封件 | ||||||||||
| 主要数据尺寸 | 基本负荷额定值 | 疲劳负荷限值 | 额定速度 | 体积 | 型号 | |||||
| 动态 | 静态 | 参照速度 | 限制速度 | |||||||
| d | D | B | C | C0 | Pu | * - SKF Explorer 轴承 | ||||
| mm | kN | kN | r/min | kg | - | |||||
| 35 | 72 | 27 | 40 | 28 | 1,18 | - | 6300 | 0,44 | 3207 A-2RS1TN9/MT33 * | |
SKF 3207 A-2RS1TN9/MT33 *轴承尺寸图纸

