李工:138-8949-5179 刘工:135-0428-8802
型号查询
轴承型号   常见搜索: 6017轴承 *轴承 32313轴承 6014轴承 6305轴承 6009轴承
型号查询 X

轴承专区

Bearings Center

23228 CCK/W33 + H 2328 *轴承-SKF 23228 CCK/W33 + H 2328 *轴承尺寸、图纸、价格

SKF 23228 CCK/W33 + H 2328 *轴承

产品名称:23228 CCK/W33 + H 2328 *轴承 品牌:SKF
类型:SKF轴承 > 滚动轴承 > 球面滚子轴承
描述:23228 CCK/W33 + H 2328 *轴承是【SKF轴承 > 滚动轴承 > 球面滚子轴承】的型号,主要用在燃汽轮机、印刷机械、汽车发动机、轧钢机辊颈、轧钢机齿轮箱座、石油钻机转环、电机厂、音像设备、凿岩机械、数控设备等各大领域

 电话/微信:138-8949-5179

SKF 23228 CCK/W33 + H 2328 *轴承详细信息

23228 CCK/W33 + H 2328 *轴承是【SKF轴承 > 滚动轴承 > 球面滚子轴承】的型号,主要用在燃汽轮机、印刷机械、汽车发动机、轧钢机辊颈、轧钢机齿轮箱座、石油钻机转环、电机厂、音像设备、凿岩机械、数控设备等各大领域。

SKF 23228 CCK/W33 + H 2328 *轴承详细参数

球面滚子轴承, 带紧定套的
主要数据尺寸基本负荷额定值疲劳负荷限值额定速度体积型号
动态静态参照速度限制速度轴承 + 紧定套
d1DBCC0Pu
* - SKF Explorer 轴承
mmkNkNr/minkg-
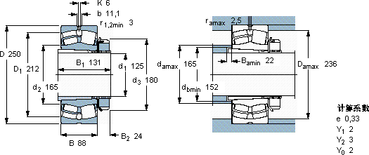
1252508891512501201700240024,023228 CCK/W33 + H 2328 *

SKF 23228 CCK/W33 + H 2328 *轴承尺寸图纸

李工:138-8949-5179

刘工:135-0428-8802

地址:辽宁省大连经济技术开发区现代城3栋-13-13号

在线客服系统