李工:138-8949-5179 刘工:135-0428-8802
型号查询
轴承型号   常见搜索: 6309轴承 6004轴承 6005轴承 6017轴承 6906轴承 23136轴承
型号查询 X

轴承专区

Bearings Center

ALS 40 ABM轴承-SKF ALS 40 ABM轴承尺寸、图纸、价格

SKF ALS 40 ABM轴承

产品名称:ALS 40 ABM轴承 品牌:SKF
类型:SKF轴承 > 滚动轴承 > 角接触球轴承
描述:ALS 40 ABM轴承是【SKF轴承 > 滚动轴承 > 角接触球轴承】的型号,主要用在铁路车辆、燃汽轮机、中型及大型电动机、后轮、铁路车辆车轴、石油钻机、冶炼厂、薄膜拉伸、解体机、吹氧装置等各大领域

 电话/微信:138-8949-5179

SKF ALS 40 ABM轴承详细信息

ALS 40 ABM轴承是【SKF轴承 > 滚动轴承 > 角接触球轴承】的型号,主要用在铁路车辆、燃汽轮机、中型及大型电动机、后轮、铁路车辆车轴、石油钻机、冶炼厂、薄膜拉伸、解体机、吹氧装置等各大领域。

SKF ALS 40 ABM轴承详细参数

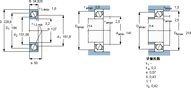
角接触球轴承, 单列, 英制轴承
主要数据尺寸尺寸 [英寸]疲劳负荷限值额定速度体积型号
动态静态参照速度限制速度
dDBCC0Pu
mmkNkNr/minkg-
127228,634,9251861906360036006,10ALS 40 ABM仅对售后市场

SKF ALS 40 ABM轴承尺寸图纸

李工:138-8949-5179

刘工:135-0428-8802

地址:辽宁省大连经济技术开发区现代城3栋-13-13号

在线客服系统