李工:138-8949-5179 刘工:135-0428-8802
型号查询
轴承型号   常见搜索: 617轴承 6008轴承 6205轴承 22222轴承 6304轴承 6007轴承
型号查询 X

轴承专区

Bearings Center

ALS 32 ABP轴承-SKF ALS 32 ABP轴承尺寸、图纸、价格

SKF ALS 32 ABP轴承

产品名称:ALS 32 ABP轴承 品牌:SKF
类型:SKF轴承 > 滚动轴承 > 角接触球轴承
描述:ALS 32 ABP轴承是【SKF轴承 > 滚动轴承 > 角接触球轴承】的型号,主要用在家用电器、油泵、挖土机履带轮、机床主轴、造纸机械、石油钻机、塔吊、钟表、解体机、塔式车库等各大领域

 电话/微信:138-8949-5179

SKF ALS 32 ABP轴承详细信息

ALS 32 ABP轴承是【SKF轴承 > 滚动轴承 > 角接触球轴承】的型号,主要用在家用电器、油泵、挖土机履带轮、机床主轴、造纸机械、石油钻机、塔吊、钟表、解体机、塔式车库等各大领域。

SKF ALS 32 ABP轴承详细参数

角接触球轴承, 单列, 英制轴承
主要数据尺寸尺寸 [英寸]疲劳负荷限值额定速度体积型号
动态静态参照速度限制速度
dDBCC0Pu
mmkNkNr/minkg-
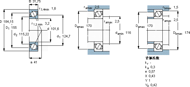
101,6184,1531,751591435,1450045003,15ALS 32 ABP仅对售后市场

SKF ALS 32 ABP轴承尺寸图纸

李工:138-8949-5179

刘工:135-0428-8802

地址:辽宁省大连经济技术开发区现代城3栋-13-13号

在线客服系统