李工:138-8949-5179 刘工:135-0428-8802
型号查询
轴承型号   常见搜索: 6002轴承 32313轴承 6005轴承 6016轴承 6007轴承 617轴承
型号查询 X

轴承专区

Bearings Center

81116 TN轴承-SKF 81116 TN轴承尺寸、图纸、价格

SKF 81116 TN轴承

产品名称:81116 TN轴承 品牌:SKF
类型:SKF轴承 > 滚动轴承 > 圆柱滚子推力轴承
描述:81116 TN轴承是【SKF轴承 > 滚动轴承 > 圆柱滚子推力轴承】的型号,主要用在通用电动机、印刷机械、桥式起重机、轧钢机辊颈、各类产业用减速机、石油钻机转环、轧钢机轧制螺杆用减速机、医药设备、轻工机械、刮泥机等各大领域

 电话/微信:138-8949-5179

SKF 81116 TN轴承详细信息

81116 TN轴承是【SKF轴承 > 滚动轴承 > 圆柱滚子推力轴承】的型号,主要用在通用电动机、印刷机械、桥式起重机、轧钢机辊颈、各类产业用减速机、石油钻机转环、轧钢机轧制螺杆用减速机、医药设备、轻工机械、刮泥机等各大领域。

SKF 81116 TN轴承详细参数

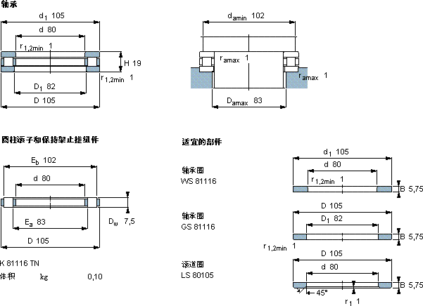
圆柱滚子推力轴承, 轴承 / 圆柱滚子和保持架止推组件
主要数据尺寸基本负荷额定值疲劳负荷限值最小负荷系数额定速度体积型号
动态静态参照速度限制速度轴承圆柱滚子和保持架止推组件
dDHCC0PuA
mmkNkN-r/minkg-
801051981,5335340,0072150030000,4081116 TNK 81116 TN

SKF 81116 TN轴承尺寸图纸

李工:138-8949-5179

刘工:135-0428-8802

地址:辽宁省大连经济技术开发区现代城3栋-13-13号

在线客服系统