李工:138-8949-5179 刘工:135-0428-8802
型号查询
轴承型号   常见搜索: 6032轴承 7014轴承 6020轴承 6304轴承 32313轴承 6007轴承
型号查询 X

轴承专区

Bearings Center

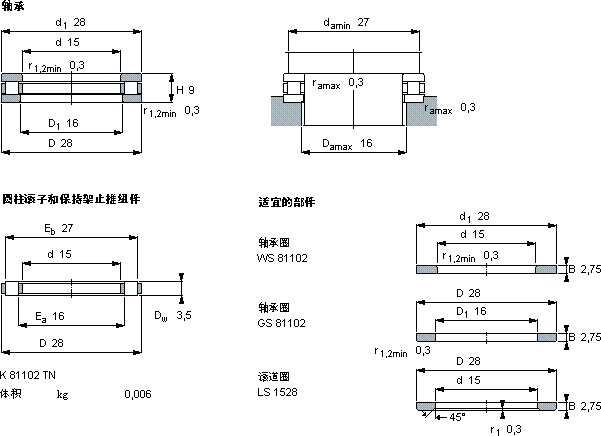
81102 TN轴承-SKF 81102 TN轴承尺寸、图纸、价格

SKF 81102 TN轴承

产品名称:81102 TN轴承 品牌:SKF
类型:SKF轴承 > 滚动轴承 > 圆柱滚子推力轴承
描述:81102 TN轴承是【SKF轴承 > 滚动轴承 > 圆柱滚子推力轴承】的型号,主要用在建筑机械、各类变速器、压缩机、铁路车辆、减速装置、机床主轴、成形机、制鞋、混凝土机械、港口起重机等各大领域

 电话/微信:138-8949-5179

SKF 81102 TN轴承详细信息

81102 TN轴承是【SKF轴承 > 滚动轴承 > 圆柱滚子推力轴承】的型号,主要用在建筑机械、各类变速器、压缩机、铁路车辆、减速装置、机床主轴、成形机、制鞋、混凝土机械、港口起重机等各大领域。

SKF 81102 TN轴承详细参数

圆柱滚子推力轴承, 轴承 / 圆柱滚子和保持架止推组件
主要数据尺寸基本负荷额定值疲劳负荷限值最小负荷系数额定速度体积型号
动态静态参照速度限制速度轴承圆柱滚子和保持架止推组件
dDHCC0PuA
mmkNkN-r/minkg-
1528911,2272,450,000058430085000,02481102 TNK 81102 TN

SKF 81102 TN轴承尺寸图纸

李工:138-8949-5179

刘工:135-0428-8802

地址:辽宁省大连经济技术开发区现代城3栋-13-13号

在线客服系统