李工:138-8949-5179 刘工:135-0428-8802
型号查询
轴承型号   常见搜索: 6003轴承 6013轴承 6909轴承 6004轴承 23136轴承 6018轴承
型号查询 X

轴承专区

Bearings Center

7418 GBM轴承-SKF 7418 GBM轴承尺寸、图纸、价格

SKF 7418 GBM轴承

产品名称:7418 GBM轴承 品牌:SKF
类型:SKF轴承 > 滚动轴承 > 角接触球轴承
描述:7418 GBM轴承是【SKF轴承 > 滚动轴承 > 角接触球轴承】的型号,主要用在装卸搬运机械、差速器小齿轮轴、桥式起重机、小齿轮轴、轧钢机齿轮箱座、机床等的变速装置、矿山、化纤机械、工程船舶、风力发电设备等各大领域

 电话/微信:138-8949-5179

SKF 7418 GBM轴承详细信息

7418 GBM轴承是【SKF轴承 > 滚动轴承 > 角接触球轴承】的型号,主要用在装卸搬运机械、差速器小齿轮轴、桥式起重机、小齿轮轴、轧钢机齿轮箱座、机床等的变速装置、矿山、化纤机械、工程船舶、风力发电设备等各大领域。

SKF 7418 GBM轴承详细参数

角接触球轴承, 单列
主要数据尺寸尺寸 [英寸]疲劳负荷限值额定速度体积型号
动态静态参照速度限制速度
dDBCC0Pu
mmkNkNr/minkg-
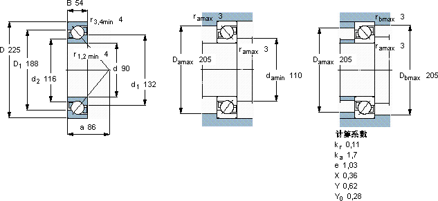
90225542162006,73600380011,57418 GBM

SKF 7418 GBM轴承尺寸图纸

李工:138-8949-5179

刘工:135-0428-8802

地址:辽宁省大连经济技术开发区现代城3栋-13-13号

在线客服系统