李工:138-8949-5179 刘工:135-0428-8802
型号查询
轴承型号   常见搜索: 3214轴承 32313轴承 2026轴承 6906轴承 6030轴承 6028轴承
型号查询 X

轴承专区

Bearings Center

1217 K + H 217轴承-SKF 1217 K + H 217轴承尺寸、图纸、价格

SKF 1217 K + H 217轴承

产品名称:1217 K + H 217轴承 品牌:SKF
类型:SKF轴承 > 滚动轴承 > 自调心球轴承
描述:1217 K + H 217轴承是【SKF轴承 > 滚动轴承 > 自调心球轴承】的型号,主要用在建筑机械、高频马达、中型及大型电动机、前轮、印刷机械、机床主轴、成形机、啤酒、挖掘机、泥炮等各大领域

 电话/微信:138-8949-5179

SKF 1217 K + H 217轴承详细信息

1217 K + H 217轴承是【SKF轴承 > 滚动轴承 > 自调心球轴承】的型号,主要用在建筑机械、高频马达、中型及大型电动机、前轮、印刷机械、机床主轴、成形机、啤酒、挖掘机、泥炮等各大领域。

SKF 1217 K + H 217轴承详细参数

自调心球轴承, 带紧定套, 无密封件
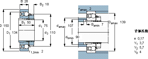
主要数据尺寸基本负荷额定值疲劳负荷限值额定速度体积型号
动态静态参照速度限制速度轴承 + 紧定套
d1DBCC0Pu
mmkNkNr/minkg-
751502848,820,80,98900056002,951217 K + H 217

SKF 1217 K + H 217轴承尺寸图纸

李工:138-8949-5179

刘工:135-0428-8802

地址:辽宁省大连经济技术开发区现代城3栋-13-13号

在线客服系统