李工:138-8949-5179 刘工:135-0428-8802
型号查询
轴承型号   常见搜索: 6013轴承 6005轴承 6009轴承 6028轴承 2025轴承 6305轴承
型号查询 X

轴承专区

Bearings Center

7413 BGBM轴承-SKF 7413 BGBM轴承尺寸、图纸、价格

SKF 7413 BGBM轴承

产品名称:7413 BGBM轴承 品牌:SKF
类型:SKF轴承 > 滚动轴承 > 角接触球轴承
描述:7413 BGBM轴承是【SKF轴承 > 滚动轴承 > 角接触球轴承】的型号,主要用在飞机喷气式发动机、小型汽车前轮、汽车发动机、差速器、轧钢机辊道子、汽车转向销、燃机、啤酒、土方机械、厨具设备等各大领域

 电话/微信:138-8949-5179

SKF 7413 BGBM轴承详细信息

7413 BGBM轴承是【SKF轴承 > 滚动轴承 > 角接触球轴承】的型号,主要用在飞机喷气式发动机、小型汽车前轮、汽车发动机、差速器、轧钢机辊道子、汽车转向销、燃机、啤酒、土方机械、厨具设备等各大领域。

SKF 7413 BGBM轴承详细参数

角接触球轴承, 单列
主要数据尺寸尺寸 [英寸]疲劳负荷限值额定速度体积型号
动态静态参照速度限制速度
dDBCC0Pu
mmkNkNr/minkg-
651603713096,53,8500053003,857413 BGBM

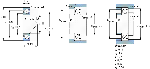
SKF 7413 BGBM轴承尺寸图纸

李工:138-8949-5179

刘工:135-0428-8802

地址:辽宁省大连经济技术开发区现代城3栋-13-13号

在线客服系统