轴承专区
Bearings Center
7332 BCBM轴承-SKF 7332 BCBM轴承尺寸、图纸、价格
SKF 7332 BCBM轴承
| 产品名称: | 7332 BCBM轴承 | 品牌: | SKF |
|---|---|---|---|
| 类型: | SKF轴承 > 滚动轴承 > 角接触球轴承 | ||
| 描述: | 7332 BCBM轴承是【SKF轴承 > 滚动轴承 > 角接触球轴承】的型号,主要用在装卸搬运机械、差速器小齿轮轴、燃汽轮机、小齿轮轴、印刷机械、机床主轴、矿山、塑料、挖掘机、风力发电设备等各大领域 | ||
电话/微信:138-8949-5179
SKF 7332 BCBM轴承详细信息
7332 BCBM轴承是【SKF轴承 > 滚动轴承 > 角接触球轴承】的型号,主要用在装卸搬运机械、差速器小齿轮轴、燃汽轮机、小齿轮轴、印刷机械、机床主轴、矿山、塑料、挖掘机、风力发电设备等各大领域。
SKF 7332 BCBM轴承详细参数
| 角接触球轴承, 单列 | |||||||||||
| 主要数据尺寸 | 尺寸 [英寸] | 疲劳负荷限值 | 额定速度 | 体积 | 型号 | ||||||
| 动态 | 静态 | 参照速度 | 限制速度 | ||||||||
| d | D | B | C | C0 | Pu | ||||||
| mm | kN | kN | r/min | kg | - | ||||||
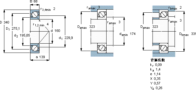
| 160 | 340 | 68 | 358 | 440 | 11,8 | 2200 | 2400 | 30,3 | 7332 BCBM | ||
SKF 7332 BCBM轴承尺寸图纸

