轴承专区
Bearings Center
7321 BEP轴承-SKF 7321 BEP轴承尺寸、图纸、价格
SKF 7321 BEP轴承
| 产品名称: | 7321 BEP轴承 | 品牌: | SKF |
|---|---|---|---|
| 类型: | SKF轴承 > 滚动轴承 > 角接触球轴承 | ||
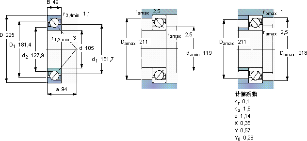
| 描述: | 7321 BEP轴承是【SKF轴承 > 滚动轴承 > 角接触球轴承】的型号,主要用在飞机喷气式发动机、燃汽轮机、燃汽轮机、后轮、木工机械、石油钻机、燃机、饮料设备、给料机械、钢包回转台等各大领域 | ||
电话/微信:138-8949-5179
SKF 7321 BEP轴承详细信息
7321 BEP轴承是【SKF轴承 > 滚动轴承 > 角接触球轴承】的型号,主要用在飞机喷气式发动机、燃汽轮机、燃汽轮机、后轮、木工机械、石油钻机、燃机、饮料设备、给料机械、钢包回转台等各大领域。
SKF 7321 BEP轴承详细参数
| 角接触球轴承, 单列 | |||||||||||
| 主要数据尺寸 | 尺寸 [英寸] | 疲劳负荷限值 | 额定速度 | 体积 | 型号 | ||||||
| 动态 | 静态 | 参照速度 | 限制速度 | ||||||||
| d | D | B | C | C0 | Pu | ||||||
| mm | kN | kN | r/min | kg | - | ||||||
| 105 | 225 | 49 | 212 | 208 | 6,95 | 3400 | 3400 | 8,46 | 7321 BEP | ||
SKF 7321 BEP轴承尺寸图纸

