轴承专区
Bearings Center
16002-Z轴承-SKF 16002-Z轴承尺寸、图纸、价格
SKF 16002-Z轴承
| 产品名称: | 16002-Z轴承 | 品牌: | SKF |
|---|---|---|---|
| 类型: | SKF轴承 > 滚动轴承 > 深沟球轴承 | ||
| 描述: | 16002-Z轴承是【SKF轴承 > 滚动轴承 > 深沟球轴承】的型号,主要用在电气装置部件、燃料喷射泵、减速装置、齿轮减速装置、轧钢机辊道子、起重机吊钩、船舶用螺旋桨轴、电子、强夯机、伽玛等各大领域 | ||
电话/微信:138-8949-5179
SKF 16002-Z轴承详细信息
16002-Z轴承是【SKF轴承 > 滚动轴承 > 深沟球轴承】的型号,主要用在电气装置部件、燃料喷射泵、减速装置、齿轮减速装置、轧钢机辊道子、起重机吊钩、船舶用螺旋桨轴、电子、强夯机、伽玛等各大领域。
SKF 16002-Z轴承详细参数
| 深沟球轴承, 单列, 单面防尘罩 | |||||||||||
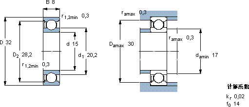
| 主要数据尺寸 | 基本负荷额定值 | 疲劳负荷限值 | 额定速度 | 体积 | 型号 | ||||||
| 动态 | 静态 | 参照速度 | 限制速度 | ||||||||
| d | D | B | C | C0 | Pu | ||||||
| mm | kN | kN | r/min | kg | - | ||||||
| 15 | 32 | 8 | 5,85 | 2,85 | 0,12 | 50000 | 32000 | 0,025 | 16002-Z | ||
SKF 16002-Z轴承尺寸图纸

