李工:138-8949-5179 刘工:135-0428-8802
型号查询
轴承型号   常见搜索: 2026轴承 32313轴承 6015轴承 6008轴承 6004轴承 6017轴承
型号查询 X

轴承专区

Bearings Center

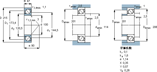
7320 BECCM *轴承-SKF 7320 BECCM *轴承尺寸、图纸、价格

SKF 7320 BECCM *轴承

产品名称:7320 BECCM *轴承 品牌:SKF
类型:SKF轴承 > 滚动轴承 > 角接触球轴承
描述:7320 BECCM *轴承是【SKF轴承 > 滚动轴承 > 角接触球轴承】的型号,主要用在装卸搬运机械、各类变速器、木工机械、铁路车辆、减速装置、机床主轴、矿山、饮料设备、混凝土机械、摩天轮等各大领域

 电话/微信:138-8949-5179

SKF 7320 BECCM *轴承详细信息

7320 BECCM *轴承是【SKF轴承 > 滚动轴承 > 角接触球轴承】的型号,主要用在装卸搬运机械、各类变速器、木工机械、铁路车辆、减速装置、机床主轴、矿山、饮料设备、混凝土机械、摩天轮等各大领域。

SKF 7320 BECCM *轴承详细参数

角接触球轴承, 单列
主要数据尺寸尺寸 [英寸]疲劳负荷限值额定速度体积型号
动态静态参照速度限制速度
dDBCC0Pu * - SKF Explorer 轴承
mmkNkNr/minkg-
100215472162086,95400040008,007320 BECCM *

SKF 7320 BECCM *轴承尺寸图纸

李工:138-8949-5179

刘工:135-0428-8802

地址:辽宁省大连经济技术开发区现代城3栋-13-13号

在线客服系统