轴承专区
Bearings Center
7314 BECAP *轴承-SKF 7314 BECAP *轴承尺寸、图纸、价格
SKF 7314 BECAP *轴承
| 产品名称: | 7314 BECAP *轴承 | 品牌: | SKF |
|---|---|---|---|
| 类型: | SKF轴承 > 滚动轴承 > 角接触球轴承 | ||
| 描述: | 7314 BECAP *轴承是【SKF轴承 > 滚动轴承 > 角接触球轴承】的型号,主要用在铁路车辆、燃汽轮机、发电机、后轮、轧钢机辊道子、石油钻机、冶炼厂、钟表、给料机械、吹氧装置等各大领域 | ||
电话/微信:138-8949-5179
SKF 7314 BECAP *轴承详细信息
7314 BECAP *轴承是【SKF轴承 > 滚动轴承 > 角接触球轴承】的型号,主要用在铁路车辆、燃汽轮机、发电机、后轮、轧钢机辊道子、石油钻机、冶炼厂、钟表、给料机械、吹氧装置等各大领域。
SKF 7314 BECAP *轴承详细参数
| 角接触球轴承, 单列 | |||||||||||
| 主要数据尺寸 | 尺寸 [英寸] | 疲劳负荷限值 | 额定速度 | 体积 | 型号 | ||||||
| 动态 | 静态 | 参照速度 | 限制速度 | ||||||||
| d | D | B | C | C0 | Pu | * - SKF Explorer 轴承 | |||||
| mm | kN | kN | r/min | kg | - | ||||||
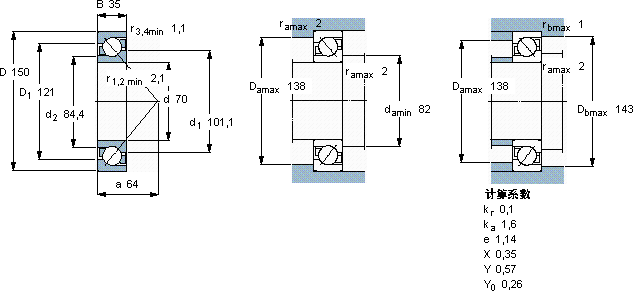
| 70 | 150 | 35 | 127 | 98 | 3,9 | 5600 | 5600 | 2,55 | 7314 BECAP * | ||
SKF 7314 BECAP *轴承尺寸图纸

