李工:138-8949-5179 刘工:135-0428-8802
型号查询
轴承型号   常见搜索: 6011轴承 6001轴承 6016轴承 6304轴承 22222轴承 6004轴承
型号查询 X

轴承专区

Bearings Center

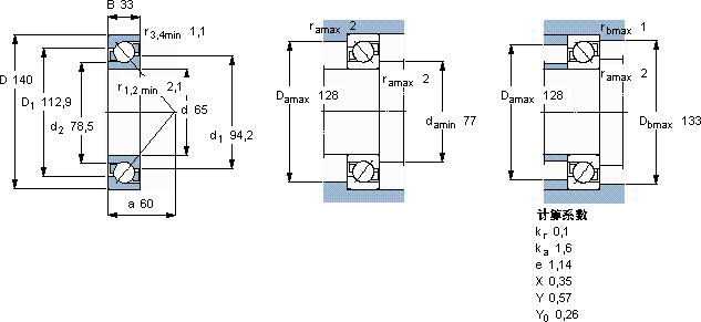
7313 BEGAF轴承-SKF 7313 BEGAF轴承尺寸、图纸、价格

SKF 7313 BEGAF轴承

产品名称:7313 BEGAF轴承 品牌:SKF
类型:SKF轴承 > 滚动轴承 > 角接触球轴承
描述:7313 BEGAF轴承是【SKF轴承 > 滚动轴承 > 角接触球轴承】的型号,主要用在通用电动机、罗茨鼓风机、提升机、建筑机械、破碎机、石油钻机转环、轧钢机轧制螺杆用减速机、薄膜拉伸、凿岩机械、机场加油机等各大领域

 电话/微信:138-8949-5179

SKF 7313 BEGAF轴承详细信息

7313 BEGAF轴承是【SKF轴承 > 滚动轴承 > 角接触球轴承】的型号,主要用在通用电动机、罗茨鼓风机、提升机、建筑机械、破碎机、石油钻机转环、轧钢机轧制螺杆用减速机、薄膜拉伸、凿岩机械、机场加油机等各大领域。

SKF 7313 BEGAF轴承详细参数

角接触球轴承, 单列
主要数据尺寸尺寸 [英寸]疲劳负荷限值额定速度体积型号
动态静态参照速度限制速度
dDBCC0Pu
mmkNkNr/minkg-
6514033108803,35560056002,357313 BEGAF

SKF 7313 BEGAF轴承尺寸图纸

李工:138-8949-5179

刘工:135-0428-8802

地址:辽宁省大连经济技术开发区现代城3栋-13-13号

在线客服系统