李工:138-8949-5179 刘工:135-0428-8802
型号查询
轴承型号   常见搜索: 6001轴承 6900轴承 2025轴承 6020轴承 6021轴承 6205轴承
型号查询 X

轴承专区

Bearings Center

2 x 7216 BECBM *轴承-SKF 2 x 7216 BECBM *轴承尺寸、图纸、价格

SKF 2 x 7216 BECBM *轴承

产品名称:2 x 7216 BECBM *轴承 品牌:SKF
类型:SKF轴承 > 滚动轴承 > 角接触球轴承
描述:2 x 7216 BECBM *轴承是【SKF轴承 > 滚动轴承 > 角接触球轴承】的型号,主要用在农业机械、机床主轴、提升机、汽车、振动筛、汽车转向销、钢铁厂、塑料、土方机械、太阳能发电设备等各大领域

 电话/微信:138-8949-5179

SKF 2 x 7216 BECBM *轴承详细信息

2 x 7216 BECBM *轴承是【SKF轴承 > 滚动轴承 > 角接触球轴承】的型号,主要用在农业机械、机床主轴、提升机、汽车、振动筛、汽车转向销、钢铁厂、塑料、土方机械、太阳能发电设备等各大领域。

SKF 2 x 7216 BECBM *轴承详细参数

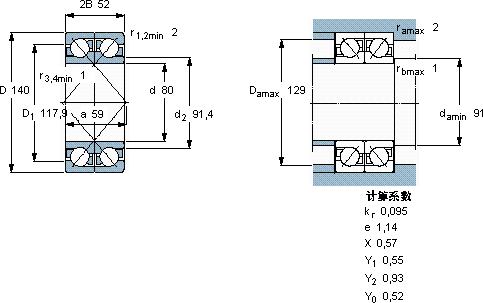
角接触球轴承, 单列,用于配对安装, 面对面配对
主要数据尺寸基本负荷额定值疲劳负荷限值额定速度体积型号轴承配对
动态静态参照速度限制速度
dD2BCC0Pu * - SKF Explorer 轴承
mmkNkNr/minkg--
80140521371506,1450056003,202 × 7216 BECBM *DF

SKF 2 x 7216 BECBM *轴承尺寸图纸

李工:138-8949-5179

刘工:135-0428-8802

地址:辽宁省大连经济技术开发区现代城3栋-13-13号

在线客服系统