李工:138-8949-5179 刘工:135-0428-8802
型号查询
轴承型号   常见搜索: 2026轴承 6030轴承 6026轴承 6018轴承 617轴承 23136轴承
型号查询 X

轴承专区

Bearings Center

2 x 7205 BECBY轴承-SKF 2 x 7205 BECBY轴承尺寸、图纸、价格

SKF 2 x 7205 BECBY轴承

产品名称:2 x 7205 BECBY轴承 品牌:SKF
类型:SKF轴承 > 滚动轴承 > 角接触球轴承
描述:2 x 7205 BECBY轴承是【SKF轴承 > 滚动轴承 > 角接触球轴承】的型号,主要用在电气装置部件、燃汽轮机、桥式起重机、后轮、振动筛、起重机吊钩、船舶用螺旋桨轴、薄膜拉伸、专用车、风力发电设备等各大领域

 电话/微信:138-8949-5179

SKF 2 x 7205 BECBY轴承详细信息

2 x 7205 BECBY轴承是【SKF轴承 > 滚动轴承 > 角接触球轴承】的型号,主要用在电气装置部件、燃汽轮机、桥式起重机、后轮、振动筛、起重机吊钩、船舶用螺旋桨轴、薄膜拉伸、专用车、风力发电设备等各大领域。

SKF 2 x 7205 BECBY轴承详细参数

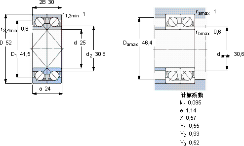
角接触球轴承, 单列,用于配对安装, 面对面配对
主要数据尺寸基本负荷额定值疲劳负荷限值额定速度体积型号轴承配对
动态静态参照速度限制速度
dD2BCC0Pu
mmkNkNr/minkg--
25523025,120,40,8512000150000,262 × 7205 BECBYDF

SKF 2 x 7205 BECBY轴承尺寸图纸

李工:138-8949-5179

刘工:135-0428-8802

地址:辽宁省大连经济技术开发区现代城3栋-13-13号

在线客服系统