李工:138-8949-5179 刘工:135-0428-8802
型号查询
轴承型号   常见搜索: 71913轴承 22222轴承 6012轴承 6010轴承 6019轴承 *轴承
型号查询 X

轴承专区

Bearings Center

7230 BGAM轴承-SKF 7230 BGAM轴承尺寸、图纸、价格

SKF 7230 BGAM轴承

产品名称:7230 BGAM轴承 品牌:SKF
类型:SKF轴承 > 滚动轴承 > 角接触球轴承
描述:7230 BGAM轴承是【SKF轴承 > 滚动轴承 > 角接触球轴承】的型号,主要用在内燃机、燃汽轮机、纺织机械传动轴、后轮、轧钢机辊道子、起重机吊钩、挤压机、破碎、专用车、数控设备等各大领域

 电话/微信:138-8949-5179

SKF 7230 BGAM轴承详细信息

7230 BGAM轴承是【SKF轴承 > 滚动轴承 > 角接触球轴承】的型号,主要用在内燃机、燃汽轮机、纺织机械传动轴、后轮、轧钢机辊道子、起重机吊钩、挤压机、破碎、专用车、数控设备等各大领域。

SKF 7230 BGAM轴承详细参数

角接触球轴承, 单列
主要数据尺寸尺寸 [英寸]疲劳负荷限值额定速度体积型号
动态静态参照速度限制速度
dDBCC0Pu
mmkNkNr/minkg-
150270452162406,952600280010,87230 BGAM

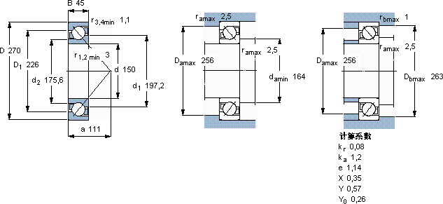
SKF 7230 BGAM轴承尺寸图纸

李工:138-8949-5179

刘工:135-0428-8802

地址:辽宁省大连经济技术开发区现代城3栋-13-13号

在线客服系统