李工:138-8949-5179 刘工:135-0428-8802
型号查询
轴承型号   常见搜索: 23136轴承 6009轴承 6900轴承 71913轴承 7014轴承 688a轴承
型号查询 X

轴承专区

Bearings Center

722517 B轴承-SKF 722517 B轴承尺寸、图纸、价格

SKF 722517 B轴承

产品名称:722517 B轴承 品牌:SKF
类型:SKF轴承 > 轴承座 > 7225(00)系列法兰轴承座
描述:722517 B轴承是【SKF轴承 > 轴承座 > 7225(00)系列法兰轴承座】的型号,主要用在装卸搬运机械、印刷机械、减速装置、轧钢机辊颈、减速装置、制铁制钢机械、矿山、洗染、堆取料机、风力发电设备等各大领域

 电话/微信:138-8949-5179

SKF 722517 B轴承详细信息

722517 B轴承是【SKF轴承 > 轴承座 > 7225(00)系列法兰轴承座】的型号,主要用在装卸搬运机械、印刷机械、减速装置、轧钢机辊颈、减速装置、制铁制钢机械、矿山、洗染、堆取料机、风力发电设备等各大领域。

SKF 722517 B轴承详细参数

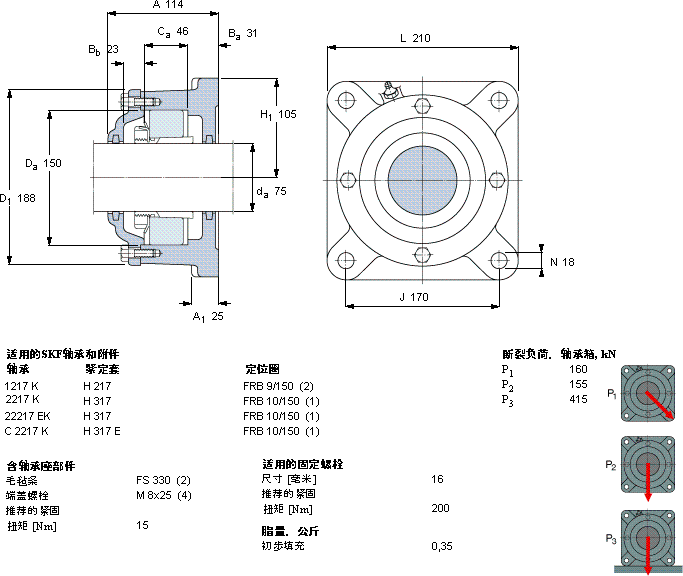
法兰式轴承座, 7225(00) 用于紧定套安装轴承
适宜的轴承轴承座
(基本型号)主要数据尺寸体积型号
自调心球球面滚子CARB轴承座与
da轴承轴承轴承ALHH1毛毡密封件
mmmmkg-
751217 K2217 K22217 KC 2217 K11421021010511,5722517 B

SKF 722517 B轴承尺寸图纸

李工:138-8949-5179

刘工:135-0428-8802

地址:辽宁省大连经济技术开发区现代城3栋-13-13号

在线客服系统