李工:138-8949-5179 刘工:135-0428-8802
型号查询
轴承型号   常见搜索: 6900轴承 7014轴承 1轴承 23136轴承 6004轴承 6005轴承
型号查询 X

轴承专区

Bearings Center

7213 BEGAP轴承-SKF 7213 BEGAP轴承尺寸、图纸、价格

SKF 7213 BEGAP轴承

产品名称:7213 BEGAP轴承 品牌:SKF
类型:SKF轴承 > 滚动轴承 > 角接触球轴承
描述:7213 BEGAP轴承是【SKF轴承 > 滚动轴承 > 角接触球轴承】的型号,主要用在内燃机、空气压缩机、压缩机、大型农业机械、轧钢机辊道子、耕耘机、挤压机、洗染、地基处理机械、数控设备等各大领域

 电话/微信:138-8949-5179

SKF 7213 BEGAP轴承详细信息

7213 BEGAP轴承是【SKF轴承 > 滚动轴承 > 角接触球轴承】的型号,主要用在内燃机、空气压缩机、压缩机、大型农业机械、轧钢机辊道子、耕耘机、挤压机、洗染、地基处理机械、数控设备等各大领域。

SKF 7213 BEGAP轴承详细参数

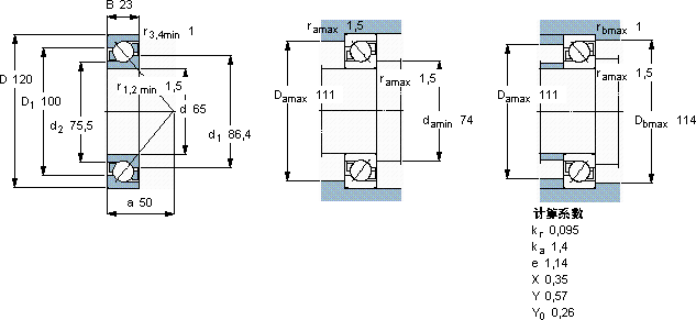
角接触球轴承, 单列
主要数据尺寸尺寸 [英寸]疲劳负荷限值额定速度体积型号
动态静态参照速度限制速度
dDBCC0Pu
mmkNkNr/minkg-
651202369,5572,45670067001,007213 BEGAP

SKF 7213 BEGAP轴承尺寸图纸

李工:138-8949-5179

刘工:135-0428-8802

地址:辽宁省大连经济技术开发区现代城3栋-13-13号

在线客服系统