轴承专区
Bearings Center
7209 BEP轴承-SKF 7209 BEP轴承尺寸、图纸、价格
SKF 7209 BEP轴承
| 产品名称: | 7209 BEP轴承 | 品牌: | SKF |
|---|---|---|---|
| 类型: | SKF轴承 > 滚动轴承 > 角接触球轴承 | ||
| 描述: | 7209 BEP轴承是【SKF轴承 > 滚动轴承 > 角接触球轴承】的型号,主要用在通用电动机、离心分离机、中型及大型电动机、变速器、轧钢机齿轮箱座、石油钻机转环、轧钢机轧制螺杆用减速机、制鞋、凿岩机械、太阳能发电设备等各大领域 | ||
电话/微信:138-8949-5179
SKF 7209 BEP轴承详细信息
7209 BEP轴承是【SKF轴承 > 滚动轴承 > 角接触球轴承】的型号,主要用在通用电动机、离心分离机、中型及大型电动机、变速器、轧钢机齿轮箱座、石油钻机转环、轧钢机轧制螺杆用减速机、制鞋、凿岩机械、太阳能发电设备等各大领域。
SKF 7209 BEP轴承详细参数
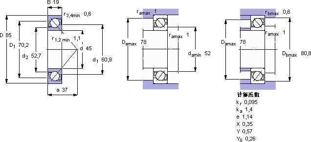
| 角接触球轴承, 单列 | |||||||||||
| 主要数据尺寸 | 尺寸 [英寸] | 疲劳负荷限值 | 额定速度 | 体积 | 型号 | ||||||
| 动态 | 静态 | 参照速度 | 限制速度 | ||||||||
| d | D | B | C | C0 | Pu | ||||||
| mm | kN | kN | r/min | kg | - | ||||||
| 45 | 85 | 19 | 35,8 | 26 | 1,12 | 9000 | 9000 | 0,42 | 7209 BEP | ||
SKF 7209 BEP轴承尺寸图纸

