李工:138-8949-5179 刘工:135-0428-8802
型号查询
轴承型号   常见搜索: 6009轴承 6030轴承 6005轴承 6010轴承 6011轴承 6021轴承
型号查询 X

轴承专区

Bearings Center

71964 AC轴承-SKF 71964 AC轴承尺寸、图纸、价格

SKF 71964 AC轴承

产品名称:71964 AC轴承 品牌:SKF
类型:SKF轴承 > 滚动轴承 > 角接触球轴承
描述:71964 AC轴承是【SKF轴承 > 滚动轴承 > 角接触球轴承】的型号,主要用在通用电动机、离心分离机、木工机械、变速器、各类产业用减速机、石油钻机转环、轧钢机轧制螺杆用减速机、电子、凿岩机械、太阳能发电设备等各大领域

 电话/微信:138-8949-5179

SKF 71964 AC轴承详细信息

71964 AC轴承是【SKF轴承 > 滚动轴承 > 角接触球轴承】的型号,主要用在通用电动机、离心分离机、木工机械、变速器、各类产业用减速机、石油钻机转环、轧钢机轧制螺杆用减速机、电子、凿岩机械、太阳能发电设备等各大领域。

SKF 71964 AC轴承详细参数

角接触球轴承, 单列
主要数据尺寸尺寸 [英寸]疲劳负荷限值额定速度体积型号
动态静态参照速度限制速度
dDBCC0Pu
mmkNkNr/minkg-
3204405635158512,91500160025,571964 AC

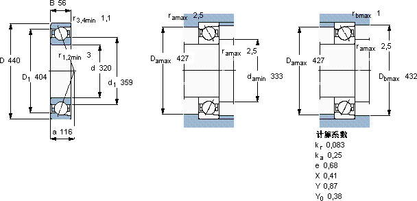
SKF 71964 AC轴承尺寸图纸

李工:138-8949-5179

刘工:135-0428-8802

地址:辽宁省大连经济技术开发区现代城3栋-13-13号

在线客服系统