李工:138-8949-5179 刘工:135-0428-8802
型号查询
轴承型号   常见搜索: 6022轴承 6009轴承 617轴承 6016轴承 71913轴承 6028轴承
型号查询 X

轴承专区

Bearings Center

718/500 AGMB轴承-SKF 718/500 AGMB轴承尺寸、图纸、价格

SKF 718/500 AGMB轴承

产品名称:718/500 AGMB轴承 品牌:SKF
类型:SKF轴承 > 滚动轴承 > 角接触球轴承
描述:718/500 AGMB轴承是【SKF轴承 > 滚动轴承 > 角接触球轴承】的型号,主要用在家用电器、燃料喷射泵、燃汽轮机、齿轮减速装置、铁路车辆车轴、石油钻机、塔吊、破碎、解体机、冶金起重机等各大领域

 电话/微信:138-8949-5179

SKF 718/500 AGMB轴承详细信息

718/500 AGMB轴承是【SKF轴承 > 滚动轴承 > 角接触球轴承】的型号,主要用在家用电器、燃料喷射泵、燃汽轮机、齿轮减速装置、铁路车辆车轴、石油钻机、塔吊、破碎、解体机、冶金起重机等各大领域。

SKF 718/500 AGMB轴承详细参数

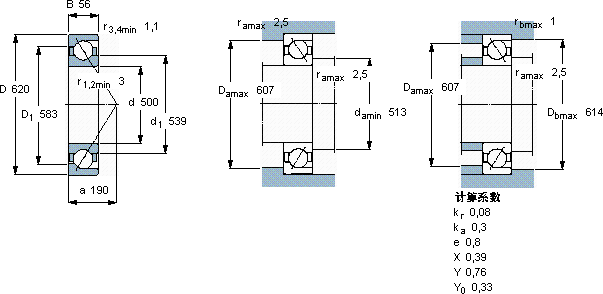
角接触球轴承, 单列
主要数据尺寸尺寸 [英寸]疲劳负荷限值额定速度体积型号
动态静态参照速度限制速度
dDBCC0Pu
mmkNkNr/minkg-
5006205639085015,31000100038,0718/500 AGMB

SKF 718/500 AGMB轴承尺寸图纸

李工:138-8949-5179

刘工:135-0428-8802

地址:辽宁省大连经济技术开发区现代城3栋-13-13号

在线客服系统