李工:138-8949-5179 刘工:135-0428-8802
型号查询
轴承型号   常见搜索: 6015轴承 6305轴承 6906轴承 6014轴承 6010轴承 6304轴承
型号查询 X

轴承专区

Bearings Center

70/560 AMB轴承-SKF 70/560 AMB轴承尺寸、图纸、价格

SKF 70/560 AMB轴承

产品名称:70/560 AMB轴承 品牌:SKF
类型:SKF轴承 > 滚动轴承 > 角接触球轴承
描述:70/560 AMB轴承是【SKF轴承 > 滚动轴承 > 角接触球轴承】的型号,主要用在家用电器、机床主轴、减速装置、汽车、振动筛、汽车转向销、塔吊、啤酒、土方机械、塔式车库等各大领域

 电话/微信:138-8949-5179

SKF 70/560 AMB轴承详细信息

70/560 AMB轴承是【SKF轴承 > 滚动轴承 > 角接触球轴承】的型号,主要用在家用电器、机床主轴、减速装置、汽车、振动筛、汽车转向销、塔吊、啤酒、土方机械、塔式车库等各大领域。

SKF 70/560 AMB轴承详细参数

角接触球轴承, 单列
主要数据尺寸尺寸 [英寸]疲劳负荷限值额定速度体积型号
动态静态参照速度限制速度
dDBCC0Pu
mmkNkNr/minkg-
560820115904216034,575080019570/560 AMB

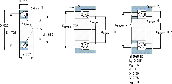
SKF 70/560 AMB轴承尺寸图纸

李工:138-8949-5179

刘工:135-0428-8802

地址:辽宁省大连经济技术开发区现代城3栋-13-13号

在线客服系统