李工:138-8949-5179 刘工:135-0428-8802
型号查询
轴承型号   常见搜索: 1轴承 2026轴承 6011轴承 617轴承 6309轴承 7014轴承
型号查询 X

轴承专区

Bearings Center

16032轴承-SKF 16032轴承尺寸、图纸、价格

SKF 16032轴承

产品名称:16032轴承 品牌:SKF
类型:SKF轴承 > 滚动轴承 > 深沟球轴承
描述:16032轴承是【SKF轴承 > 滚动轴承 > 深沟球轴承】的型号,主要用在铁路车辆、机床主轴、减速装置、汽车、轧钢机辊道子、汽车转向销、冶炼厂、制鞋、土方机械、机械手等各大领域

 电话/微信:138-8949-5179

SKF 16032轴承详细信息

16032轴承是【SKF轴承 > 滚动轴承 > 深沟球轴承】的型号,主要用在铁路车辆、机床主轴、减速装置、汽车、轧钢机辊道子、汽车转向销、冶炼厂、制鞋、土方机械、机械手等各大领域。

SKF 16032轴承详细参数

深沟球轴承, 单列, 无密封件
主要数据尺寸基本负荷额定值疲劳负荷限值额定速度体积型号
动态静态参照速度限制速度
dDBCC0Pu
mmkNkNr/minkg-
1602402599,51083,25560036003,7016032

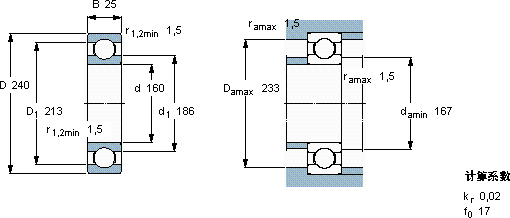
SKF 16032轴承尺寸图纸

李工:138-8949-5179

刘工:135-0428-8802

地址:辽宁省大连经济技术开发区现代城3栋-13-13号

在线客服系统