李工:138-8949-5179 刘工:135-0428-8802
型号查询
轴承型号   常见搜索: 688a轴承 6900轴承 6010轴承 6014轴承 6909轴承 6026轴承
型号查询 X

轴承专区

Bearings Center

6412 NR轴承-SKF 6412 NR轴承尺寸、图纸、价格

SKF 6412 NR轴承

产品名称:6412 NR轴承 品牌:SKF
类型:SKF轴承 > 滚动轴承 > 深沟球轴承
描述:6412 NR轴承是【SKF轴承 > 滚动轴承 > 深沟球轴承】的型号,主要用在各种产业机械、高频马达、减速装置、前轮、各类产业用减速机、机床等的变速装置、发电厂、啤酒、压路机、冶金起重机等各大领域

 电话/微信:138-8949-5179

SKF 6412 NR轴承详细信息

6412 NR轴承是【SKF轴承 > 滚动轴承 > 深沟球轴承】的型号,主要用在各种产业机械、高频马达、减速装置、前轮、各类产业用减速机、机床等的变速装置、发电厂、啤酒、压路机、冶金起重机等各大领域。

SKF 6412 NR轴承详细参数

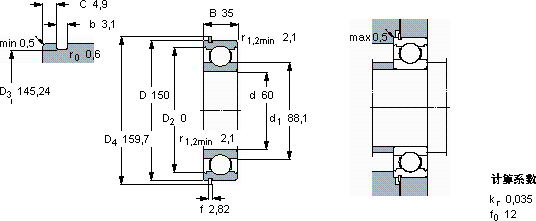
深沟球轴承, 单列,带止动环槽, 无密封件
主要数据尺寸基本负荷额定值疲劳负荷限值额定速度体积型号
动态静态参照速度限制速度轴承止动环
(R = 带止动环)
dDBCC0Pu
mmkNkNr/minkg-
601503510869,52,91000063002,756412 NRSP 150

SKF 6412 NR轴承尺寸图纸

李工:138-8949-5179

刘工:135-0428-8802

地址:辽宁省大连经济技术开发区现代城3栋-13-13号

在线客服系统