轴承专区
Bearings Center
11208 TN9轴承-SKF 11208 TN9轴承尺寸、图纸、价格
SKF 11208 TN9轴承
| 产品名称: | 11208 TN9轴承 | 品牌: | SKF |
|---|---|---|---|
| 类型: | SKF轴承 > 滚动轴承 > 自调心球轴承 | ||
| 描述: | 11208 TN9轴承是【SKF轴承 > 滚动轴承 > 自调心球轴承】的型号,主要用在家用电器、油泵、桥式起重机、机床主轴、木工机械、石油钻机、塔吊、精细化工机械、给料机械、塔式车库等各大领域 | ||
电话/微信:138-8949-5179
SKF 11208 TN9轴承详细信息
11208 TN9轴承是【SKF轴承 > 滚动轴承 > 自调心球轴承】的型号,主要用在家用电器、油泵、桥式起重机、机床主轴、木工机械、石油钻机、塔吊、精细化工机械、给料机械、塔式车库等各大领域。
SKF 11208 TN9轴承详细参数
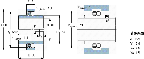
| 自调心球轴承, 圆柱孔和圆锥孔, 宽内圈 | ||||||||||
| 主要数据尺寸 | 基本负荷额定值 | 疲劳负荷限值 | 额定速度 | 体积 | 型号 | |||||
| 动态 | 静态 | 参照速度 | 限制速度 | |||||||
| d | D | B | C | C0 | Pu | |||||
| mm | kN | kN | r/min | kg | - | |||||
| 40 | 80 | 56 | 19 | 6,55 | 0,34 | - | 5000 | 0,72 | 11208 TN9 | |
SKF 11208 TN9轴承尺寸图纸

