轴承专区
Bearings Center
6410 NR轴承-SKF 6410 NR轴承尺寸、图纸、价格
SKF 6410 NR轴承
| 产品名称: | 6410 NR轴承 | 品牌: | SKF |
|---|---|---|---|
| 类型: | SKF轴承 > 滚动轴承 > 深沟球轴承 | ||
| 描述: | 6410 NR轴承是【SKF轴承 > 滚动轴承 > 深沟球轴承】的型号,主要用在变速器、高频马达、变速器、前轮、破碎机、机床等的变速装置、立式电动机、钟表、工程船舶、正面吊等各大领域 | ||
电话/微信:138-8949-5179
SKF 6410 NR轴承详细信息
6410 NR轴承是【SKF轴承 > 滚动轴承 > 深沟球轴承】的型号,主要用在变速器、高频马达、变速器、前轮、破碎机、机床等的变速装置、立式电动机、钟表、工程船舶、正面吊等各大领域。
SKF 6410 NR轴承详细参数
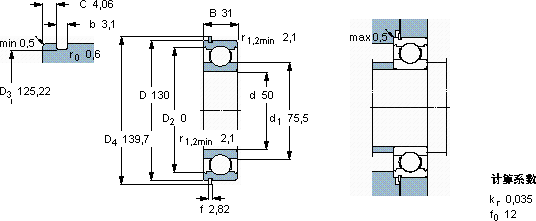
| 深沟球轴承, 单列,带止动环槽, 无密封件 | |||||||||||
| 主要数据尺寸 | 基本负荷额定值 | 疲劳负荷限值 | 额定速度 | 体积 | 型号 | ||||||
| 动态 | 静态 | 参照速度 | 限制速度 | 轴承 | 止动环 | ||||||
| (R = 带止动环) | |||||||||||
| d | D | B | C | C0 | Pu | ||||||
| mm | kN | kN | r/min | kg | - | ||||||
| 50 | 130 | 31 | 87,1 | 52 | 2,2 | 12000 | 7500 | 1,90 | 6410 NR | SP 130 | |
SKF 6410 NR轴承尺寸图纸

