李工:138-8949-5179 刘工:135-0428-8802
型号查询
轴承型号   常见搜索: 6205轴承 7014轴承 688a轴承 6019轴承 6002轴承 6013轴承
型号查询 X

轴承专区

Bearings Center

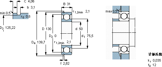
6410 N轴承-SKF 6410 N轴承尺寸、图纸、价格

SKF 6410 N轴承

产品名称:6410 N轴承 品牌:SKF
类型:SKF轴承 > 滚动轴承 > 深沟球轴承
描述:6410 N轴承是【SKF轴承 > 滚动轴承 > 深沟球轴承】的型号,主要用在后轮、机床主轴、汽车发动机、汽车、轧钢机辊道子、耕耘机、水力发电机、玩具、地基处理机械、港口起重机等各大领域

 电话/微信:138-8949-5179

SKF 6410 N轴承详细信息

6410 N轴承是【SKF轴承 > 滚动轴承 > 深沟球轴承】的型号,主要用在后轮、机床主轴、汽车发动机、汽车、轧钢机辊道子、耕耘机、水力发电机、玩具、地基处理机械、港口起重机等各大领域。

SKF 6410 N轴承详细参数

深沟球轴承, 单列,带止动环槽, 无密封件
主要数据尺寸基本负荷额定值疲劳负荷限值额定速度体积型号
动态静态参照速度限制速度轴承止动环
(R = 带止动环)
dDBCC0Pu
mmkNkNr/minkg-
501303187,1522,21200075001,906410 NSP 130

SKF 6410 N轴承尺寸图纸

李工:138-8949-5179

刘工:135-0428-8802

地址:辽宁省大连经济技术开发区现代城3栋-13-13号

在线客服系统