李工:138-8949-5179 刘工:135-0428-8802
型号查询
轴承型号   常见搜索: 6021轴承 6002轴承 71913轴承 6305轴承 7014轴承 6022轴承
型号查询 X

轴承专区

Bearings Center

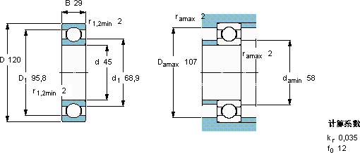
6409轴承-SKF 6409轴承尺寸、图纸、价格

SKF 6409轴承

产品名称:6409轴承 品牌:SKF
类型:SKF轴承 > 滚动轴承 > 深沟球轴承
描述:6409轴承是【SKF轴承 > 滚动轴承 > 深沟球轴承】的型号,主要用在燃汽轮机、高频马达、提升机、前轮、破碎机、机床主轴、电机厂、纺织、混凝土机械、码垛机器人等各大领域

 电话/微信:138-8949-5179

SKF 6409轴承详细信息

6409轴承是【SKF轴承 > 滚动轴承 > 深沟球轴承】的型号,主要用在燃汽轮机、高频马达、提升机、前轮、破碎机、机床主轴、电机厂、纺织、混凝土机械、码垛机器人等各大领域。

SKF 6409轴承详细参数

深沟球轴承, 单列, 无密封件
主要数据尺寸基本负荷额定值疲劳负荷限值额定速度体积型号
动态静态参照速度限制速度
dDBCC0Pu
mmkNkNr/minkg-
451202976,1451,91300085001,556409

SKF 6409轴承尺寸图纸

李工:138-8949-5179

刘工:135-0428-8802

地址:辽宁省大连经济技术开发区现代城3栋-13-13号

在线客服系统