李工:138-8949-5179 刘工:135-0428-8802
型号查询
轴承型号   常见搜索: 6032轴承 6003轴承 2025轴承 6309轴承 6020轴承 6900轴承
型号查询 X

轴承专区

Bearings Center

634-2RZ轴承-SKF 634-2RZ轴承尺寸、图纸、价格

SKF 634-2RZ轴承

产品名称:634-2RZ轴承 品牌:SKF
类型:SKF轴承 > 滚动轴承 > 深沟球轴承
描述:634-2RZ轴承是【SKF轴承 > 滚动轴承 > 深沟球轴承】的型号,主要用在仪表、印刷机械、泵、轧钢机辊颈、破碎机、制铁制钢机械、碾煤机、医药设备、堆取料机、钢包回转台等各大领域

 电话/微信:138-8949-5179

SKF 634-2RZ轴承详细信息

634-2RZ轴承是【SKF轴承 > 滚动轴承 > 深沟球轴承】的型号,主要用在仪表、印刷机械、泵、轧钢机辊颈、破碎机、制铁制钢机械、碾煤机、医药设备、堆取料机、钢包回转台等各大领域。

SKF 634-2RZ轴承详细参数

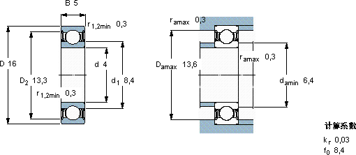
深沟球轴承, 单列, 低摩擦两面密封件
主要数据尺寸基本负荷额定值疲劳负荷限值额定速度体积型号
动态静态参照速度限制速度
dDBCC0Pu
mmkNkNr/minkg-
41651,110,380,01695000480000,0054634-2RZ

SKF 634-2RZ轴承尺寸图纸

李工:138-8949-5179

刘工:135-0428-8802

地址:辽宁省大连经济技术开发区现代城3栋-13-13号

在线客服系统