轴承专区
Bearings Center
TUJ 45 TF轴承-SKF TUJ 45 TF轴承尺寸、图纸、价格
SKF TUJ 45 TF轴承
| 产品名称: | TUJ 45 TF轴承 | 品牌: | SKF |
|---|---|---|---|
| 类型: | SKF轴承 > 轴承单元 > Y-轴承承载单元 | ||
| 描述: | TUJ 45 TF轴承是【SKF轴承 > 轴承单元 > Y-轴承承载单元】的型号,主要用在装卸搬运机械、各类变速器、减速装置、铁路车辆、破碎机、机床等的变速装置、矿山、电子、压路机、摩天轮等各大领域 | ||
电话/微信:138-8949-5179
SKF TUJ 45 TF轴承详细信息
TUJ 45 TF轴承是【SKF轴承 > 轴承单元 > Y-轴承承载单元】的型号,主要用在装卸搬运机械、各类变速器、减速装置、铁路车辆、破碎机、机床等的变速装置、矿山、电子、压路机、摩天轮等各大领域。
SKF TUJ 45 TF轴承详细参数
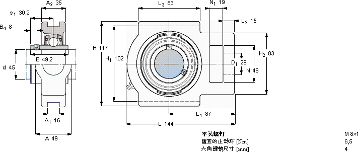
| Y-型轴承张紧轮单元, 平头螺钉锁定, 公制轴承 | ||||||||||||
| 尺寸 | 基本负荷额定值 | 限制速度 | 质量 | 型号 | ||||||||
| 动态 | 静态 | 轴承单元 | 轴承座 | 轴承 | ||||||||
| d | A | H | H1 | L | C | C0 | 带轴公差h6 | |||||
| mm | kN | r/min | kg | - | ||||||||
| 45 | 49 | 117 | 102 | 144 | 33,2 | 21,6 | 4300 | 2,3 | TUJ 45 TF | TUJ 509 | YAR 209-2F | |
SKF TUJ 45 TF轴承尺寸图纸

