李工:138-8949-5179 刘工:135-0428-8802
型号查询
轴承型号   常见搜索: 6018轴承 32313轴承 6019轴承 6004轴承 6020轴承 6003轴承
型号查询 X

轴承专区

Bearings Center

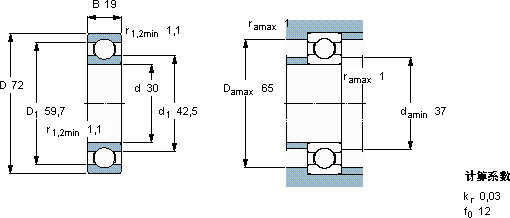
6306 ETN9轴承-SKF 6306 ETN9轴承尺寸、图纸、价格

SKF 6306 ETN9轴承

产品名称:6306 ETN9轴承 品牌:SKF
类型:SKF轴承 > 滚动轴承 > 深沟球轴承
描述:6306 ETN9轴承是【SKF轴承 > 滚动轴承 > 深沟球轴承】的型号,主要用在通用电动机、高频马达、汽车发动机、前轮、印刷机械、机床等的变速装置、轧钢机轧制螺杆用减速机、化纤机械、工程船舶、机场加油机等各大领域

 电话/微信:138-8949-5179

SKF 6306 ETN9轴承详细信息

6306 ETN9轴承是【SKF轴承 > 滚动轴承 > 深沟球轴承】的型号,主要用在通用电动机、高频马达、汽车发动机、前轮、印刷机械、机床等的变速装置、轧钢机轧制螺杆用减速机、化纤机械、工程船舶、机场加油机等各大领域。

SKF 6306 ETN9轴承详细参数

深沟球轴承, 单列, 无密封件
主要数据尺寸基本负荷额定值疲劳负荷限值额定速度体积型号
动态静态参照速度限制速度
dDBCC0Pu
mmkNkNr/minkg-
30721932,517,30,73522000140000,336306 ETN9

SKF 6306 ETN9轴承尺寸图纸

李工:138-8949-5179

刘工:135-0428-8802

地址:辽宁省大连经济技术开发区现代城3栋-13-13号

在线客服系统