李工:138-8949-5179 刘工:135-0428-8802
型号查询
轴承型号   常见搜索: 6906轴承 6019轴承 6014轴承 6009轴承 6006轴承 22222轴承
型号查询 X

轴承专区

Bearings Center

624轴承-SKF 624轴承尺寸、图纸、价格

SKF 624轴承

产品名称:624轴承 品牌:SKF
类型:SKF轴承 > 滚动轴承 > 深沟球轴承
描述:624轴承是【SKF轴承 > 滚动轴承 > 深沟球轴承】的型号,主要用在后轮、油泵、发电机、机床主轴、造纸机械、起重机吊钩、水力发电机、洗染、专用车、港口起重机等各大领域

 电话/微信:138-8949-5179

SKF 624轴承详细信息

624轴承是【SKF轴承 > 滚动轴承 > 深沟球轴承】的型号,主要用在后轮、油泵、发电机、机床主轴、造纸机械、起重机吊钩、水力发电机、洗染、专用车、港口起重机等各大领域。

SKF 624轴承详细参数

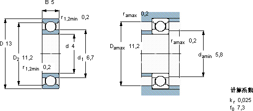
深沟球轴承, 单列, 无密封件
主要数据尺寸基本负荷额定值疲劳负荷限值额定速度体积型号
动态静态参照速度限制速度
dDBCC0Pu
mmkNkNr/minkg-
41350,9360,290,012110000670000,0031624

SKF 624轴承尺寸图纸

李工:138-8949-5179

刘工:135-0428-8802

地址:辽宁省大连经济技术开发区现代城3栋-13-13号

在线客服系统