李工:138-8949-5179 刘工:135-0428-8802
型号查询
轴承型号   常见搜索: 6016轴承 32313轴承 6003轴承 6030轴承 6014轴承 6022轴承
型号查询 X

轴承专区

Bearings Center

623-RS1轴承-SKF 623-RS1轴承尺寸、图纸、价格

SKF 623-RS1轴承

产品名称:623-RS1轴承 品牌:SKF
类型:SKF轴承 > 滚动轴承 > 深沟球轴承
描述:623-RS1轴承是【SKF轴承 > 滚动轴承 > 深沟球轴承】的型号,主要用在家用电器、空气压缩机、汽车发动机、大型农业机械、造纸机械、耕耘机、塔吊、陶瓷机械、平地机、雷达等各大领域

 电话/微信:138-8949-5179

SKF 623-RS1轴承详细信息

623-RS1轴承是【SKF轴承 > 滚动轴承 > 深沟球轴承】的型号,主要用在家用电器、空气压缩机、汽车发动机、大型农业机械、造纸机械、耕耘机、塔吊、陶瓷机械、平地机、雷达等各大领域。

SKF 623-RS1轴承详细参数

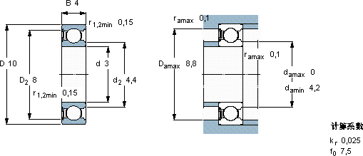
深沟球轴承, 单列, 单面密封件
主要数据尺寸基本负荷额定值疲劳负荷限值额定速度体积型号
动态静态参照速度限制速度
dDBCC0Pu
mmkNkNr/minkg-
31040,540,180,007-400000,0015623-RS1

SKF 623-RS1轴承尺寸图纸

李工:138-8949-5179

刘工:135-0428-8802

地址:辽宁省大连经济技术开发区现代城3栋-13-13号

在线客服系统