轴承专区
Bearings Center
6218/C3VL0241轴承-SKF 6218/C3VL0241轴承尺寸、图纸、价格
SKF 6218/C3VL0241轴承
| 产品名称: | 6218/C3VL0241轴承 | 品牌: | SKF |
|---|---|---|---|
| 类型: | SKF轴承 > 滚动轴承 > 工程产品 | ||
| 描述: | 6218/C3VL0241轴承是【SKF轴承 > 滚动轴承 > 工程产品】的型号,主要用在铁路车辆、机床主轴、压缩机、汽车、轧钢机辊道子、耕耘机、冶炼厂、纺织、地基处理机械、机械手等各大领域 | ||
电话/微信:138-8949-5179
SKF 6218/C3VL0241轴承详细信息
6218/C3VL0241轴承是【SKF轴承 > 滚动轴承 > 工程产品】的型号,主要用在铁路车辆、机床主轴、压缩机、汽车、轧钢机辊道子、耕耘机、冶炼厂、纺织、地基处理机械、机械手等各大领域。
SKF 6218/C3VL0241轴承详细参数
| 深沟球轴承, 单列,INSOCOAT | ||||||||||
| 主要数据尺寸 | 基本负荷额定值 | 疲劳负荷限值 | 额定速度 | 体积 | 型号 | |||||
| 动态 | 静态 | 参照速度 | 限制速度 | |||||||
| d | D | B | C | C0 | Pu | |||||
| mm | kN | kN | r/min | kg | - | |||||
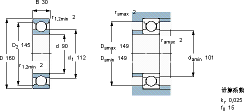
| 90 | 160 | 30 | 101 | 73,5 | 2,8 | 8500 | 5300 | 2,40 | 6218/C3VL0241 | |
SKF 6218/C3VL0241轴承尺寸图纸

