轴承专区
Bearings Center
6209-2RZTN9/HC5C3WT轴承-SKF 6209-2RZTN9/HC5C3WT轴承尺寸、图纸、价格
SKF 6209-2RZTN9/HC5C3WT轴承
| 产品名称: | 6209-2RZTN9/HC5C3WT轴承 | 品牌: | SKF |
|---|---|---|---|
| 类型: | SKF轴承 > 滚动轴承 > 工程产品 | ||
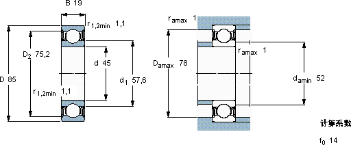
| 描述: | 6209-2RZTN9/HC5C3WT轴承是【SKF轴承 > 滚动轴承 > 工程产品】的型号,主要用在燃汽轮机、高频马达、中型及大型电动机、前轮、减速装置、机床等的变速装置、电机厂、化纤机械、压路机、码垛机器人等各大领域 | ||
电话/微信:138-8949-5179
SKF 6209-2RZTN9/HC5C3WT轴承详细信息
6209-2RZTN9/HC5C3WT轴承是【SKF轴承 > 滚动轴承 > 工程产品】的型号,主要用在燃汽轮机、高频马达、中型及大型电动机、前轮、减速装置、机床等的变速装置、电机厂、化纤机械、压路机、码垛机器人等各大领域。
SKF 6209-2RZTN9/HC5C3WT轴承详细参数
| 深沟球轴承, 单列陶瓷混合轴承, 低摩擦两面密封件 | ||||||||||
| 主要数据尺寸 | 基本负荷额定值 | 疲劳负荷限值 | 额定速度 | 体积 | 型号 | |||||
| 动态 | 静态 | 参照速度 | 限制速度 | |||||||
| d | D | B | C | C0 | Pu | |||||
| mm | kN | kN | r/min | kg | - | |||||
| 45 | 85 | 19 | 35,1 | 21,6 | 0,915 | 22000 | 14000 | 0,42 | 6209-2RZTN9/HC5C3WT | |
SKF 6209-2RZTN9/HC5C3WT轴承尺寸图纸

