李工:138-8949-5179 刘工:135-0428-8802
型号查询
轴承型号   常见搜索: 6909轴承 6024轴承 32313轴承 2025轴承 6002轴承 6012轴承
型号查询 X

轴承专区

Bearings Center

16040轴承-SKF 16040轴承尺寸、图纸、价格

SKF 16040轴承

产品名称:16040轴承 品牌:SKF
类型:SKF轴承 > 滚动轴承 > 深沟球轴承
描述:16040轴承是【SKF轴承 > 滚动轴承 > 深沟球轴承】的型号,主要用在装卸搬运机械、差速器小齿轮轴、泵、小齿轮轴、轧钢机齿轮箱座、机床等的变速装置、矿山、钟表、工程船舶、风力发电设备等各大领域

 电话/微信:138-8949-5179

SKF 16040轴承详细信息

16040轴承是【SKF轴承 > 滚动轴承 > 深沟球轴承】的型号,主要用在装卸搬运机械、差速器小齿轮轴、泵、小齿轮轴、轧钢机齿轮箱座、机床等的变速装置、矿山、钟表、工程船舶、风力发电设备等各大领域。

SKF 16040轴承详细参数

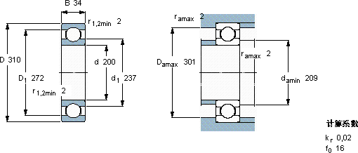
深沟球轴承, 单列, 无密封件
主要数据尺寸基本负荷额定值疲劳负荷限值额定速度体积型号
动态静态参照速度限制速度
dDBCC0Pu
mmkNkNr/minkg-
200310341681905,1430028008,8516040

SKF 16040轴承尺寸图纸

李工:138-8949-5179

刘工:135-0428-8802

地址:辽宁省大连经济技术开发区现代城3栋-13-13号

在线客服系统