李工:138-8949-5179 刘工:135-0428-8802
型号查询
轴承型号   常见搜索: 6019轴承 3214轴承 6909轴承 6305轴承 6008轴承 617轴承
型号查询 X

轴承专区

Bearings Center

6313-2ZNR *轴承-SKF 6313-2ZNR *轴承尺寸、图纸、价格

SKF 6313-2ZNR *轴承

产品名称:6313-2ZNR *轴承 品牌:SKF
类型:SKF轴承 > 滚动轴承 > 深沟球轴承
描述:6313-2ZNR *轴承是【SKF轴承 > 滚动轴承 > 深沟球轴承】的型号,主要用在内燃机、燃料喷射泵、纺织机械传动轴、齿轮减速装置、木工机械、起重机吊钩、挤压机、玩具、专用车、码垛机器人等各大领域

 电话/微信:138-8949-5179

SKF 6313-2ZNR *轴承详细信息

6313-2ZNR *轴承是【SKF轴承 > 滚动轴承 > 深沟球轴承】的型号,主要用在内燃机、燃料喷射泵、纺织机械传动轴、齿轮减速装置、木工机械、起重机吊钩、挤压机、玩具、专用车、码垛机器人等各大领域。

SKF 6313-2ZNR *轴承详细参数

深沟球轴承, 单列,带止动环槽, 两面防尘罩
主要数据尺寸基本负荷额定值疲劳负荷限值额定速度体积型号
动态静态参照速度限制速度轴承止动环
(R = 带止动环)
dDBCC0Pu * - SKF Explorer 轴承
mmkNkNr/minkg-
651403397,5602,51000053002,106313-2ZNR *SP 140

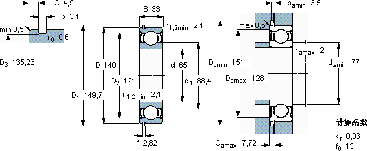
SKF 6313-2ZNR *轴承尺寸图纸

李工:138-8949-5179

刘工:135-0428-8802

地址:辽宁省大连经济技术开发区现代城3栋-13-13号

在线客服系统