轴承专区
Bearings Center
SIKB 12 F/VZ019轴承-SKF SIKB 12 F/VZ019轴承尺寸、图纸、价格
SKF SIKB 12 F/VZ019轴承
| 产品名称: | SIKB 12 F/VZ019轴承 | 品牌: | SKF |
|---|---|---|---|
| 类型: | SKF轴承 > 球面滑动轴承和杆端关节轴承 > 免维护的杆端关节轴承 | ||
| 描述: | SIKB 12 F/VZ019轴承是【SKF轴承 > 球面滑动轴承和杆端关节轴承 > 免维护的杆端关节轴承】的型号,主要用在燃汽轮机、各类变速器、中型及大型电动机、铁路车辆、破碎机、机床等的变速装置、电机厂、医药设备、工程船舶、抓钢机等各大领域 | ||
电话/微信:138-8949-5179
SKF SIKB 12 F/VZ019轴承详细信息
SIKB 12 F/VZ019轴承是【SKF轴承 > 球面滑动轴承和杆端关节轴承 > 免维护的杆端关节轴承】的型号,主要用在燃汽轮机、各类变速器、中型及大型电动机、铁路车辆、破碎机、机床等的变速装置、电机厂、医药设备、工程船舶、抓钢机等各大领域。
SKF SIKB 12 F/VZ019轴承详细参数
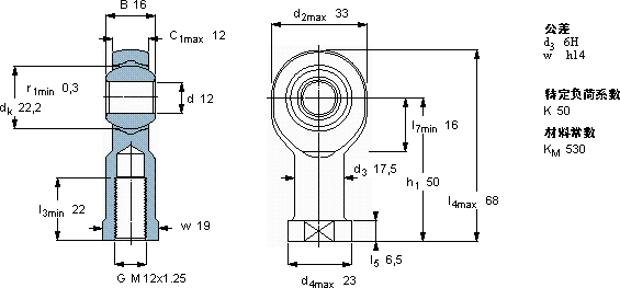
| 免维护杆端, 阴螺纹, 钢/PTFE复合材料 | |||||||||||
| 主要数据尺寸 | 角度倾的 | 基本负荷额定值 | 质量 | 型号 | |||||||
| 动态 | 静态 | 轴承座完全与密封件 | |||||||||
| d | d2 | B | d3 | C1 | h1 | ± | C | C0 | |||
| 6H | |||||||||||
| mm | 度数 | kN | kg | - | |||||||
| 12 | 33 | 16 | M 12x1.25 | 12 | 50 | 13 | 13,2 | 17 | 0,12 | SIKB 12 F/VZ019 | |
SKF SIKB 12 F/VZ019轴承尺寸图纸

