李工:138-8949-5179 刘工:135-0428-8802
型号查询
轴承型号   常见搜索: 6214轴承 3214轴承 6015轴承 6003轴承 6030轴承 2025轴承
型号查询 X

轴承专区

Bearings Center

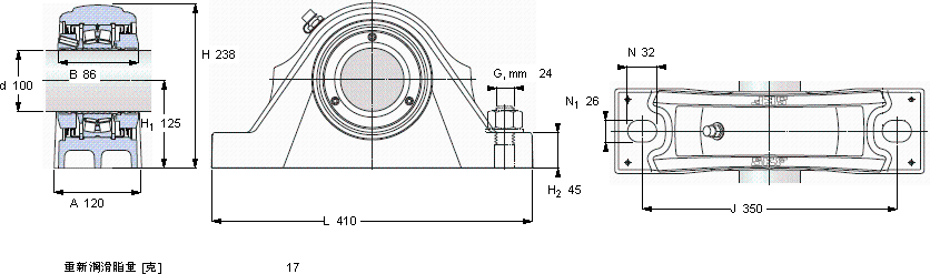
SYNT 100 FTS轴承-SKF SYNT 100 FTS轴承尺寸、图纸、价格

SKF SYNT 100 FTS轴承

产品名称:SYNT 100 FTS轴承 品牌:SKF
类型:SKF轴承 > 轴承单元 > 座式滚子轴承单元
描述:SYNT 100 FTS轴承是【SKF轴承 > 轴承单元 > 座式滚子轴承单元】的型号,主要用在电气装置部件、燃汽轮机、提升机、后轮、振动筛、起重机吊钩、船舶用螺旋桨轴、医药设备、强夯机、风力发电设备等各大领域

 电话/微信:138-8949-5179

SKF SYNT 100 FTS轴承详细信息

SYNT 100 FTS轴承是【SKF轴承 > 轴承单元 > 座式滚子轴承单元】的型号,主要用在电气装置部件、燃汽轮机、提升机、后轮、振动筛、起重机吊钩、船舶用螺旋桨轴、医药设备、强夯机、风力发电设备等各大领域。

SKF SYNT 100 FTS轴承详细参数

滚子轴承立式轴承座单元, SKF ConCentra, locating units, labyrinth seals
尺寸尺寸 [英寸]疲劳负荷限值限制速度体积型号轴承,基本型号
动态静态
daAHH1LCC0Pu
mmkNkNr/minkg--
10012023812541042549049250030SYNT 100 FTS22220 E

SKF SYNT 100 FTS轴承尺寸图纸

李工:138-8949-5179

刘工:135-0428-8802

地址:辽宁省大连经济技术开发区现代城3栋-13-13号

在线客服系统