李工:138-8949-5179 刘工:135-0428-8802
型号查询
轴承型号   常见搜索: 6022轴承 3214轴承 6010轴承 6205轴承 6900轴承 6304轴承
型号查询 X

轴承专区

Bearings Center

61924轴承-SKF 61924轴承尺寸、图纸、价格

SKF 61924轴承

产品名称:61924轴承 品牌:SKF
类型:SKF轴承 > 滚动轴承 > 深沟球轴承
描述:61924轴承是【SKF轴承 > 滚动轴承 > 深沟球轴承】的型号,主要用在变速器、印刷机械、泵、轧钢机辊颈、破碎机、石油钻机转环、立式电动机、啤酒、轻工机械、吹氧装置等各大领域

 电话/微信:138-8949-5179

SKF 61924轴承详细信息

61924轴承是【SKF轴承 > 滚动轴承 > 深沟球轴承】的型号,主要用在变速器、印刷机械、泵、轧钢机辊颈、破碎机、石油钻机转环、立式电动机、啤酒、轻工机械、吹氧装置等各大领域。

SKF 61924轴承详细参数

深沟球轴承, 单列, 无密封件
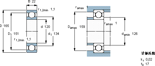
主要数据尺寸基本负荷额定值疲劳负荷限值额定速度体积型号
动态静态参照速度限制速度
dDBCC0Pu
mmkNkNr/minkg-
1201652255,3572,04800050001,2061924

SKF 61924轴承尺寸图纸

李工:138-8949-5179

刘工:135-0428-8802

地址:辽宁省大连经济技术开发区现代城3栋-13-13号

在线客服系统