李工:138-8949-5179 刘工:135-0428-8802
型号查询
轴承型号   常见搜索: 22222轴承 6305轴承 6002轴承 6026轴承 6008轴承 688a轴承
型号查询 X

轴承专区

Bearings Center

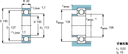
61920轴承-SKF 61920轴承尺寸、图纸、价格

SKF 61920轴承

产品名称:61920轴承 品牌:SKF
类型:SKF轴承 > 滚动轴承 > 深沟球轴承
描述:61920轴承是【SKF轴承 > 滚动轴承 > 深沟球轴承】的型号,主要用在仪表、罗茨鼓风机、泵、建筑机械、轧钢机齿轮箱座、制铁制钢机械、碾煤机、烟草机械、起重机械、厨具设备等各大领域

 电话/微信:138-8949-5179

SKF 61920轴承详细信息

61920轴承是【SKF轴承 > 滚动轴承 > 深沟球轴承】的型号,主要用在仪表、罗茨鼓风机、泵、建筑机械、轧钢机齿轮箱座、制铁制钢机械、碾煤机、烟草机械、起重机械、厨具设备等各大领域。

SKF 61920轴承详细参数

深沟球轴承, 单列, 无密封件
主要数据尺寸基本负荷额定值疲劳负荷限值额定速度体积型号
动态静态参照速度限制速度
dDBCC0Pu
mmkNkNr/minkg-
1001402042,3411,63950060000,8361920

SKF 61920轴承尺寸图纸

李工:138-8949-5179

刘工:135-0428-8802

地址:辽宁省大连经济技术开发区现代城3栋-13-13号

在线客服系统