轴承专区
Bearings Center
61919轴承-SKF 61919轴承尺寸、图纸、价格
SKF 61919轴承
| 产品名称: | 61919轴承 | 品牌: | SKF |
|---|---|---|---|
| 类型: | SKF轴承 > 滚动轴承 > 深沟球轴承 | ||
| 描述: | 61919轴承是【SKF轴承 > 滚动轴承 > 深沟球轴承】的型号,主要用在飞机喷气式发动机、燃料喷射泵、木工机械、齿轮减速装置、铁路车辆车轴、起重机吊钩、燃机、音像设备、强夯机、厨具设备等各大领域 | ||
电话/微信:138-8949-5179
SKF 61919轴承详细信息
61919轴承是【SKF轴承 > 滚动轴承 > 深沟球轴承】的型号,主要用在飞机喷气式发动机、燃料喷射泵、木工机械、齿轮减速装置、铁路车辆车轴、起重机吊钩、燃机、音像设备、强夯机、厨具设备等各大领域。
SKF 61919轴承详细参数
| 深沟球轴承, 单列, 无密封件 | |||||||||||
| 主要数据尺寸 | 基本负荷额定值 | 疲劳负荷限值 | 额定速度 | 体积 | 型号 | ||||||
| 动态 | 静态 | 参照速度 | 限制速度 | ||||||||
| d | D | B | C | C0 | Pu | ||||||
| mm | kN | kN | r/min | kg | - | ||||||
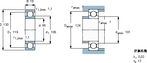
| 95 | 130 | 18 | 33,8 | 33,5 | 1,43 | 10000 | 6300 | 0,61 | 61919 | ||
SKF 61919轴承尺寸图纸

