李工:138-8949-5179 刘工:135-0428-8802
型号查询
轴承型号   常见搜索: 617轴承 6026轴承 6002轴承 6015轴承 6006轴承 3214轴承
型号查询 X

轴承专区

Bearings Center

61919-2RS1轴承-SKF 61919-2RS1轴承尺寸、图纸、价格

SKF 61919-2RS1轴承

产品名称:61919-2RS1轴承 品牌:SKF
类型:SKF轴承 > 滚动轴承 > 深沟球轴承
描述:61919-2RS1轴承是【SKF轴承 > 滚动轴承 > 深沟球轴承】的型号,主要用在燃汽轮机、印刷机械、纺织机械传动轴、轧钢机辊颈、轧钢机齿轮箱座、石油钻机转环、电机厂、纺织、凿岩机械、数控设备等各大领域

 电话/微信:138-8949-5179

SKF 61919-2RS1轴承详细信息

61919-2RS1轴承是【SKF轴承 > 滚动轴承 > 深沟球轴承】的型号,主要用在燃汽轮机、印刷机械、纺织机械传动轴、轧钢机辊颈、轧钢机齿轮箱座、石油钻机转环、电机厂、纺织、凿岩机械、数控设备等各大领域。

SKF 61919-2RS1轴承详细参数

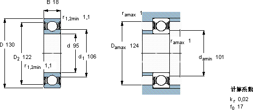
深沟球轴承, 单列, 两面密封件
主要数据尺寸基本负荷额定值疲劳负荷限值额定速度体积型号
动态静态参照速度限制速度
dDBCC0Pu
mmkNkNr/minkg-
951301833,833,51,43-30000,6161919-2RS1

SKF 61919-2RS1轴承尺寸图纸

李工:138-8949-5179

刘工:135-0428-8802

地址:辽宁省大连经济技术开发区现代城3栋-13-13号

在线客服系统